基本参数
LCM编号:JDL0132A01
背 光 源:LED
工艺类别:COB
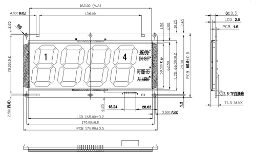
外形尺寸:178*85.5*11.5
可视区尺寸:162*59.5
点 阵 数:无
控制器:PCF8576
PIN脚说明
第1脚:SDL
第2脚:SCL
第3脚:VDD
第4脚:GND
第5脚:VLCD
第6脚:LEDA
第7脚:LEDK
产品介绍:
1. DRIVE METHOD:1/1DUTY, 1/1BIAS,VOP 4.5V,VDD 5V
2. VIEWING ANGLE:12'CLOCK
3. DISPLAY TYPE:TN,TRANSMISSIVE/NEGATIVE.
4. OPERATING TEMP: -20°C TO +70°C
5. STORAGE TEMP: -30°C TO +80°C
6. BACKLIGHT: RED
是否公用模组:否
模块类型:笔段式
产品别名:0132笔段式液晶模块、0132段显液晶模块、0132段码、段码LCM
发布时间:2015-08-06
产品结构视图
